|
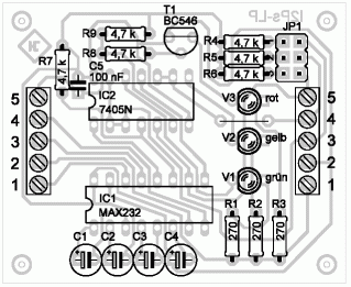
Stückliste:
| Bauteil |
Bezeichnung |
Anzahl |
| R1 - 3 |
Widerstand 270 Ohm |
3 |
| R4 - 9 |
Widerstand 4,7 kOhm |
6 |
| V1 |
LED grün 3mm |
1 |
| V2 |
LED gelb 3mm |
1 |
| V3 |
LED rot 3mm |
1 |
| C1 - 4 |
Elko 10yF 16V |
4 |
| C5 |
Keramik-Kondensator 100 nF |
1 |
| T1 |
BC546 Transistor NPN |
1 |
| IC1 |
MAX 232 + IC-Fassung 16 pol. |
1 |
| IC2 |
7405 + IC-Fassung 14 pol |
1 |
| JP1 |
Pfostenleiste 2 x 3pol + Jumper |
1 |
| ST1, ST2 |
Anschlussklemme 5pol |
2 |
| |
Anschlusskabel SUB-D 9pol Buchse |
1 |
| Zubehör |
|
|
| I2Ps-Gg |
Gehäuse gebohrt |
1 |
| |
Leitung 6 x 0.14 ungeschirmt |
50 cm |
 |
Bausätze können Sie günstig in unserem Onlineshop in der Rubrik
"I2C-Komponenten" bestellen. |
|
Copyright © www.horter.de All rights reserved.