Schnellbefestigungen

 Home    Impressum / Datenschutz    Shop    Download    Links     Blog  

Schnellbefestigungen für Leiterplatten

Die beste Erfindung nach der Schraube zum Befestigen von Platinen


Hier finden Sie eine Übersicht über die verschiedenen Klebefüße und die Möglichkeit Befestigungen zu kombinieren.

Abmessungen Beschreibung
SKF 3.00 SKF 3.00
  • Selbstklebender Fuß mit einem Gewindestift M3
  • Platine aufstecken - Mutter drauf - fertig
  • Stapeln von Baugruppen? - Kein Problem.
  • Wird mit Distanzbolzen auf jede Höhe gebracht
SKF 3.00 M

  • der SKF 3.00 mit Mutter M3 verzinkt
  • Kunststoffmutter aus Anfrage
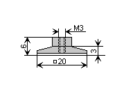
SKF 3.01

  • Selbstklebender Fuß mit Innengewinde M3
 SKF 3.06 / SKF 3.06K

  • Selbstklebender Fuß mit Innengewinde M3 und
  • Schraube M3 x 6 Metall oder Kunststoff
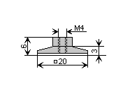
SKF 4.01

  • Selbstklebender Fuß mit Innengewinde M4
SKF 4.06 / SKF 4.08K

  • Selbstklebender Fuß mit Innengewinde M4 und
  • Schraube M4 x 6 Metall oder Schraube M4 x 8 Kunststoff


Maßblatt des Grundkörpers
skf_db.pdf (14 kB) Maßblatt der "Schnellbefestigung für Leiterplatten"


Muster Bestellen Sie bequem in unserem Onlineshop in der Rubrik "Schnellbefestigungen". Im Feld "Ihre zusätzliche Mitteilung an uns" tragen Sie einfach das Wort "MUSTER" ein.
Oder Sie schreiben eine Mail an die unter Kontakt angegebene Adresse.