
Die logischen Zustände werden durch Schalten eines Stromes von 10 bis 20 mA (1-Signal) und kein Stromfluß (0-Signal) dargestellt. Der Schnittstellenwandler wird einfach zwischen PC und S5 angeschlossen. Die Spannung für die Elektronik, sowie die 20mA für den Linienstrom zieht sich der Wandler von der SPS-Schnittstelle (passiver Wandler). Zwei Leuchtdioden zeigen die Signalzustände der Sende- und Empfangsleitung.
Die AG-Schnittstelle von SIEMENS S5-Steuerungen besitzen zur Kommunikation mit dem Programmiergerät eine serielle TTY-Schnittstelle (20mA Current Loop). Da ein Standard-PC üblicherweise mit V.24-Schnittstellen ausgestattet ist, muss ein Wandler zwischengeschaltet werden, der die Spannungspegel der V.24-Schnittstelle in einen 20 mA Strompegel wandelt - und umgekehrt.
Bei unserem Wandler sind intern zwei Optokoppler eingebaut, die beide Signalrichtungen galvanisch vom PC trennen. Dies bietet optimalen Schutz für Ihre Hardware.
Grundlagen: „Serielle Datenübertragung"
Für RS232 ist vereinbart, dass ein High-Signal durch eine
negative Spannung von -12 V übertragen wird, ein Low-Signal durch
eine positive Spannung von +12 V.
Die Übertragung beginnt immer mit einem Startbit - also dem Signalwechsel von High auf Low. Danach werden die einzelnen Bits, beginnend mit dem niederwertigen Bit (LSB) nacheinander übertragen. Für jedes Bit ist eine genau vereinbarte Zeiteinheit vorgesehen, so dass sie der Empfänger wieder richtig zusammensetzen kann. Diese Zeiteinheit wird als Baudrate bezeichnet. Bei der S5 beträgt die Geschwindigkeit 9600 Baud. (9600 Bits pro Sekunde).
TTY-Schnittstelle
Die TTY-Schnittstelle überträgt die Daten, indem in einer
Leiterschleife ein 20 mA-Strom im Takt der Datenbits ein- und
ausgeschaltet wird. Im Ruhezustand bzw. während der Übertragung von
1-Signalen fließt ein Strom von 20 mA; bei 0-Signalen wird der
Stromfluss unterbrochen.

(Bild 1: Signalpegel RS232 und TTY)
Aktiver und passiver Partner
Bei TTY unterscheidet man zwischen aktiven und passiven Teilnehmern.
Innerhalb jeder Stromschleife darf lediglich ein angeschlossenes
Gerät den erforderlichen Schleifenstrom von 20 mA liefern. Dieses
Gerät bezeichnet man als aktiv, das andere als passiv. Die
Siemens-PGs haben eine aktive TTY-Schnittstelle.

(Bild 2: Verbindung PG 740 mit SIMATIC S5 AG)
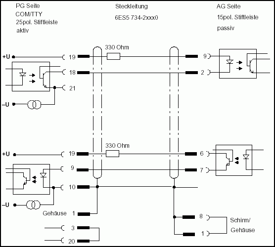
Steckerbelegung PG-Schnittstelle an der SIMATIC S5
Die folgende Skizze zeigt die Steckerbelegung der AG-Schnittstelle an
einer SIMATIC S5-Steuerung. Die
Versorgungsspannungs- und Signalleitungen sind potentialgebunden.

(Bild 3: Pinbelegung der Programmierschnittstelle einer SIMATIC S5 CPU)
Der nachfolgend beschriebene Bausatz agiert als passiver Teilnehmer.
Es werden die Stromquellen, die an der AG-Schnittstelle am Pin 11 und
13 herausgeführt sind, abgegriffen und über Optokoppler an den
Signaleingang Pin 9 - bzw. auf Pin 6 - dann über den Singanlausgang
Pin 7 gegen Masse gelegt.
Die Spannungsversorgung für die Schaltung wird ebenfalls von der
AG-Schnittstelle bereitgestellt.
|
v24-tty_beschreibung.pdf |
Die detaillierte Beschreibung des Seriellen Wandlers können Sie als PDF-Dokument herunterladen. (ca. 200 kB) |
|
|
Bausätze und Fertiggeräte können Sie günstig in unserem Onlineshop in der Rubrik "SPS-Zubehör" bestellen. |
Copyright © www.horter.de All rights reserved.