|
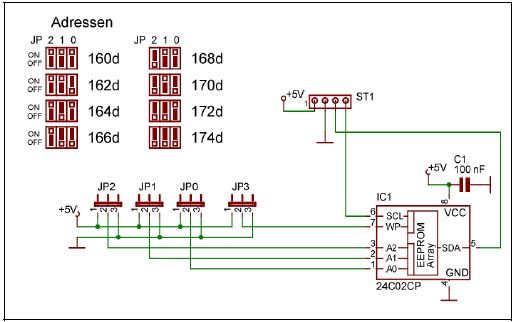
Schaltplan:

|
Bestückungsplan:

|
|
|
Stückliste:
| Bauteil |
Bezeichnung |
Anzahl |
| IC1 |
Eeprom 24C02 + Sockel |
1 |
| C1 |
Keramik-Kondensator 100 nF |
1 |
| JP1-4 |
Pfostenleiste 3pol + Jumper |
4 |
| ST1 |
Anschlussklemme 4pol |
1 |
| I2KL-LP |
Leiterplatte |
1 |
|
|
|
 |
Bausätze können Sie günstig in unserem Onlineshop in der Rubrik
"I2C-Komponenten" bestellen. |
|
Copyright © www.horter.de All rights reserved.