Nicht
alle Geräte, die über eine TTY-Schnittstelle verfügen stellen die
20mA Quelle zur Verfügung. Diese Geräte werden dann passiver
Teilnehmer genannt. Um mit solchen Geräten Daten austauschen zu
können benötigt man einen aktiven Partner, der die Stromquellen zur
Verfügung stellt.
Dieser aktive
V24-TTY-Wandler schafft hier Abhilfe.
Er ist ein vollständiger Ersatz für die von SIEMENS angebotene
V24-TTY Schnittstelle auch Köster-Box genannt. (2GA3911-3A)
An den aktiven Wandler lassen sich folgende Geräte problemlos betreiben:
- SIMATIC S7 CP 340 TTY 20 mA
- SIMATIC S5 (AG 95U, AG 100..103, 115U, 135U) mit langer Leitung
- S5 Kommunikationsprozessor "CP430 / CP1430"
- S5 Kommunikationsprozessor "CP 5430 TF / CP 5431 FMS"
- S5 Positionierbaugruppe "IP 246" zum Parametrieren mit COM 246 und
- S5 Schrittmotorbaugruppe "IP247" zum Parametrieren mit COM 247
- schnelle PC-Kopplungen mit VB oder C++ Programmen
- FESTO Ventilinseln ISB50 mit TTY-Schnittstelle
Als Basis diente die bewährte Schaltung des passiven Wandlers. Dieser wurde um einen 5V Festspannungsregler erweitert, der aus einer Eingangsspannung von 9V die für den MAX 232 benötigte Versorgungsspannung erzeugt.
Die beiden Konstantstromquellen werden aus den Festspannungsreglern
LM317 im TO92-Gehäuse erzeugt.
Der LM317 Regelt die Spannung am Ausgang OUT immer so ein, dass an
seinem Rückführungseingeng immer 1,25V anstehen.
Schaltung Konstantstromquelle:

Der Widerstand muss so dimensioniert werden, dass beim gewünschten Strom genau die 1,25 V abfallen.
Bei 20 mA ergibt sich folgende Berechnung: R = 1,25 V / 0.020 A = 62,5 Ohm
Bei der SIEMENS Kösterbox kann der Linienstrom auf 20 mA oder 50 mA "umgejumpert" werden. Anscheinend gab oder gibt es irgendwelche Steuerungen oder Drucker, die mit diesem hohen Linienstrom arbeiten. Diese Möglichkeit besteht bei unserem Wandler auch um eine Kompatibilität zum SIEMENS-Wandler herzustellen.
Bei 50 mA ergibt sich folgende Berechnung: R = 1,25 V / 0.050 A = 25,0 Ohm
Prinzipschaltung des aktiven Wandlers:
![]() |
Das Bild zeigt den prinzipiellen Aufbau des aktiven Wandlers. Am Pin1 des Klemmleiste ST2 ist eine der beiden 20 mA Stromquellen herausgeführt. Am Pin2 werden die Daten Empfangen und über den Optokoppler weiterverarbeitet. Der Pin3 schickt die Sendedaten zum Empfänger. Die Stromquelle ist intern schon auf den Optokoppler aufgelegt. Am Pin4 liegt Masse, der den Stromkreis für die Sendedaten schließt. Über diese Klemmleiste kann nun jeder passive Partner angeschlossen werden. |
Beschreibung der Jumper:
|
SIEMENS "Köster-Box" |
Horter & Kalb "V24-TTY-aktiv" |
|||||||||||
|
|
|||||||||||
|
|
|||||||||||
|
|
|||||||||||
|
|
|||||||||||
|
|
( fett = Standardeinstellung SIEMENS) |
Anmerkung: Bei unserem aktiven
Wandler kann DTR und RTS nicht getrennt auf High (-12V) oder
Low (+12V) gelegt werden. Getrennte Signalschaltung ist leider nicht
möglich, da dies einen zusätzlichen MAX232 Baustein bedeutet hätte.
Ich denke aber, dass alle Geräte mit der SIEMENS
Standard-Einstellung funktionieren und bei der sind auch beide
Signale auf High gejumpert.
|
|
Bausätze und Fertiggeräte des aktiven V24-TTY-Wandlers können Sie günstig in unserem Onlineshop in der Rubrik "SPS-Zubehör" bestellen. |
Hier noch ein paar Bilder der Köster-Box
|
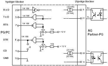
Steckerbelegung des V.24 /
TTYKonverters (Köster-Box) ![]() vergrößern? |
![]() vergrößern? |
Copyright © www.horter.de All rights reserved.